適用于中壓環境
工作溫度:從-20 °C至+150 °C
工作壓力:請看附表。
適用介質:空氣、水、氣體、石化產品,腐蝕性流體介質。
外表面處理:400型,噴沙處理;401型,拋光處理。
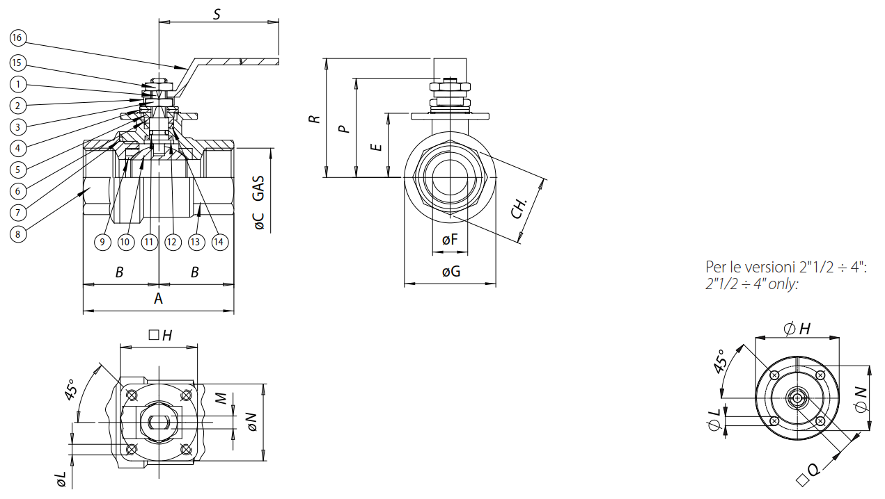
兩端暗螺紋符合UNI/ISO 7/1 Rp標準
連接執行器符合ISO 5211標準
暗螺紋連接符合NPT ANSI?B1.20.1標準
密封材料:PTFE 聚四氟乙烯加玻璃;
PTFE聚四氟乙烯加石墨。
如有其它特殊要求,請與我們的技術部門聯系
符合歐盟97/23 EC “PED”標準
ATEX防爆型符合歐盟2014-34-EU標準- 不提供公稱通徑為DN10 3/8" e與 DN15 1/2"的產品
Kv值是水溫15°C時造成介質壓力損失為1bar的介質流速(m3/h)

后面幾頁表中所列的執行器與閥門對接標準,適用于液體或氣體、清潔和中等溫度介質的閥門。為獲取更詳細的信息資料,請與我們聯系。?扭矩數值可隨溫度及介質的不同而有所變化。安全系數為1.4。工作扭矩在閥門頻繁開閉使用后,與開始使用時的數值相比,會有明顯的減弱。?