法蘭連接要求:EN 1092-1 PN40至 DN50; PN16 DN65,80,100; EN 12516
一般要求:符合EN 1792
工作溫度:從-20 °C至+150 °C(在特殊密封材料下可達+200°C)
工作壓力:PN 40至DN50 PN16以上
適用介質:水、石化產品及腐蝕性流體。
縮徑。
密封材料:PTFE聚四氟乙烯(加玻璃);
PTFE(加碳石墨);
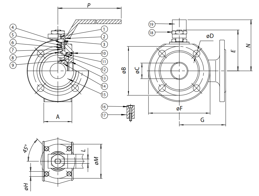
“T”型活塞球,請查閱工作裝配圖。
符合歐盟97/23 EC “PED”標準
ATEX防爆型符合歐盟2014-34-EU 標準
|
|
? |
|
備注:采用SR單動執行器,活塞球的關閉位子應處于“A”位 |
|
|
? |
|
連接執行器后,90°旋轉可有兩個位子備注:采用SR單動執行器,在氣源加壓、執行器逆時針旋轉下選擇活塞球關閉位子。 |

后面幾頁表中所列的執行器與閥門對接標準,適用于液體或氣體、清潔和中等溫度介質的閥門。為獲取更詳細的信息資料,請與我們的技術部門聯系。扭矩數值可隨溫度及介質的不同而有所變化。安全系數為1.4。工作扭矩在閥門頻繁開閉使用后,與開始使用時的數值相比,會有明顯的減弱。????????????????????????