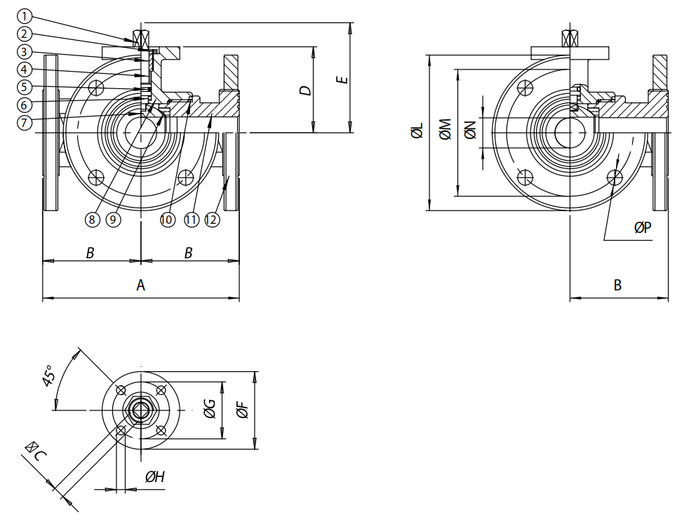
法蘭連接:符合EN 1092-1標準
活塞球上配備了4個密封圈,使介質流體能朝所有方向流動,具體請看示意圖。
工作溫度:從-20 °C至+150 °C
工作壓力:請看附表。
適用介質:空氣、水及適用于食品工業的流體介質。
外表面處理:拋光。
連接執行器接口符合ISO 5211標準
法蘭:采用鍍鋅鋼材- 符合ASME B16.5 等級 150,300標準
密封材料:PTFE聚四氟乙烯(加玻璃);
PTFE(加碳石墨);
高密度聚乙烯。
如有其它特殊要求,請與我們的技術部門聯系。
ATEX防爆型符合歐盟2014-34-EU 標準
|
備注:連接SR執行器后,活塞球的關閉位子應是“A” |
|
|
? |
|
連接執行器后,旋轉90°可有兩個位子 備注:采用SR單動執行器,在氣源加壓、執行器逆時針旋轉下選擇活塞球關閉位子。. |

后面幾頁表中所列的執行器與閥門對接標準,適用于液體或氣體、清潔和中等溫度介質的閥門。為獲取更詳細的信息資料,請與我們的技術部門聯系。扭矩數值可隨溫度及介質的不同而有所變化。安全系數為1.4。工作扭矩在閥門頻繁開閉使用后,與開始使用時的數值相比,會有明顯的減弱。?