閥門全部采用AISI 304不銹鋼材料制造,適用于有特殊衛生條件要求的設備。
活塞球上配備了4個密封圈,使介質流體在其中一個接口關閉情況下能朝所有方向流動。
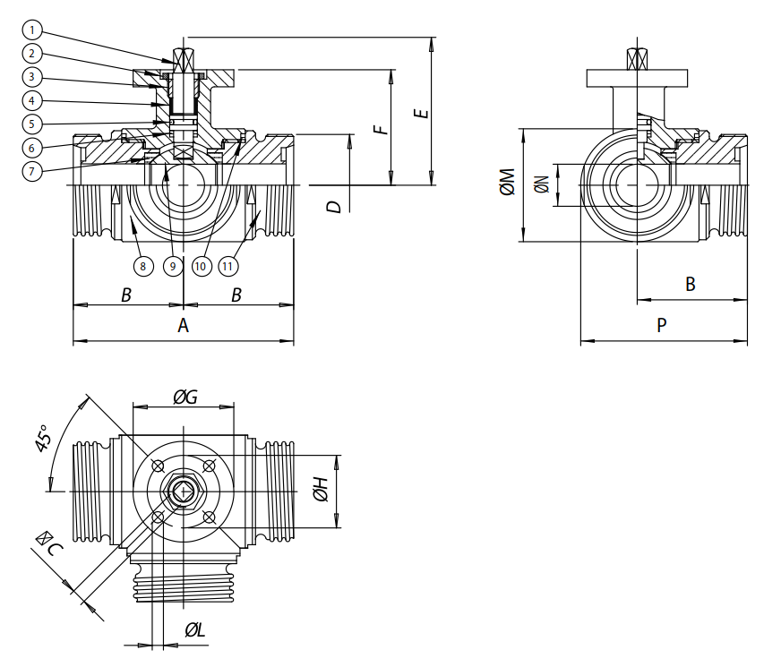
端點接口螺紋符合DIN 11851標準。
工作溫度:從-20 °C至+150 °C
工作壓力:請看附表。
適用介質:適用于食品工業。
連接執行器接口符合ISO 5211標準
配置手柄的此類閥門沒有符合ISO 5211標準的執行器連接口,也不可連接任何型號執行器。
連接方式:采用符合SMS - MACON – DIN標準的明螺紋。
密封材料:PTFE聚四氟乙烯加玻璃;
PTFE聚四氟乙烯加碳石墨;
高密度聚乙烯。
如有其它特殊要求,請與我們的技術部門聯系。
ATEX防爆型符合歐盟2014-34-EU 標準
|
備注:連接SR執行器后,活塞球的關閉位子應是“A” |
|
|
? |
|
連接執行器后,90°旋轉可有兩個位子 備注:采用SR單動執行器,在氣源加壓、執行器逆時針旋轉下選擇活塞球關閉位子。 |
起步扭矩? Nm

后面幾頁表中所列的執行器與閥門對接標準,適用于液體或氣體、清潔和中等溫度介質的閥門。為獲取更詳細的信息資料,請與我們的技術部門聯系。扭矩數值可隨溫度及介質的不同而有所變化。安全系數為1.4。工作扭矩在閥門頻繁開閉使用后,與開始使用時的數值相比,會有明顯的減弱。